16 Mar,2026
Převodové vs. lopatkové vs. pístové: Které průmyslové hydraulické čerpadlo nabízí nejlepší účinnost?


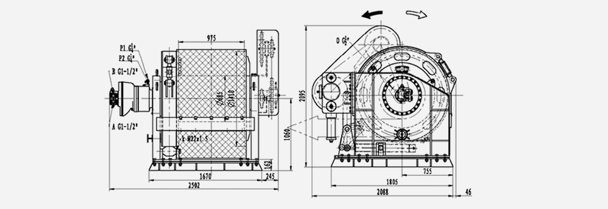
Kotevní naviják řady J---C jsou patentované produkty naší společnosti. Skládají se z bloků ventilů s funkcí ochrany proti přetížení, hydromotoru (elektromotor s brzdou), planetové převodovky, řemenové brzdy, zubové spojky, hlavy bubnu, rámu atd. Díky tomu, že se hodí k ventilovému bloku, se nejen zjednodušila konstrukce hydraulického systému, ale také se zlepšila spolehlivost pohonů. Řada navijáků by mohla mít funkci CT, pokud je vybavena ventilem s konstantním napětím, řada má také vysokou účinnost spouštění a pracovní efektivitu. Ve srovnání s tradičním kotvením je navíc celková přenosová účinnost této řady vylepšena o 6~10 % a ztráta energie je nižší kvůli uzavřené planetární
| Model | IYJ34.54.5-100 / 50-500-24-C-PDX | IYJ56- -200-500- -38-C-PDLX | IYJ699-C | IYJ99-600-1000-50-C-PDLX | IYJ4611-750/150-240-54-C-PDLX | IYJK08-50-150-22-PDL |
| Jmenovitý pracovní tah 1. vrstva (KN) | 100/50 | 200 | 350/140 | 600 | 750/150 | 50 |
| Zatížení brzdové podpory (KN) | - | 600 | 500 | 900 | 1250 | - |
| Rychlost 1. vrstvy (m/min) | 15/30 | 15.6 | 6/12 | 5 | 5/20
| 20 |
| Objem bubnu (ml/r) | 10143,6/5119,2 | 40936 | 75600/37800 | 90744.43 | 103304,35/25826 | 6360.66 |
| Jmenovitý tlak systému (MPa) | 25 | 16 | 26/10.5 | 22 | 31/26 | 15 |
| Průměr lana (mm) | 24 | 38 | 38 | 50 | 54 | 22 |
| Počet vrstev lana | 8 | 7 | 5 | 6 | 4 | 7 |
| Kapacita bubnu (m) | 490 | 500 | 500 | 1000 | 240 | 60 |
| Průtok čerpadla (l/min) | 90(ηv=0,9) | 300 (ηv=0,94) | 162(ηv=0,9) | 139(ηv=0,9) | 178(ηv=0,9) | 79(ηv=0,9) |
| Typ hydraulického motoru | A6V107ED22FZ2-054 | INM5-1450D48011 | HLA4VSM2500Z-125 | INM7-3600024011 | A6VM160HD1D/63W0400VZB080 | GM3-1000-7D47 |
| Typ planetové převodovky | IGT6DW3-B95-A6V107(I=94,8) | C56(I=28) | IGC330W3-B302-A4V250(I=302,4) | 6C3302-335-IW7(I=25,13) | C46611(I=645,65) | - |
Produkty poskytované slavnými podniky jsou uživateli hluboce důvěřovány.
Roky zkušeností v oboru
Oblast továrny
Šikovní zaměstnanci
Pokročilá výrobní linka
INI Hydraulic Co., Ltd. Již více než dvacet let se specializuje na konstrukci a výrobu hydraulických navijáků, hydraulických motorů a planetových převodovek. Jsme jedním z profesionálních dodavatelů příslušenství pro stavební stroje v Asii. Přizpůsobení pro optimalizaci důmyslných konstrukcí zařízení zákazníků je náš způsob, jak zůstat naživu robustně na trhu. Během 26-ti let jsme vyvinuli širokou škálu produktových řad založených na našich vlastně vyvinutých technologiích. Široké spektrum produktů, z nichž každý důrazně souvisí, zahrnuje hydraulické a elektrické navijáky, planetové převodovky, otočné pohony, převodové pohony, hydraulické motory, čerpadla a hydraulické systémy.
Spolehlivost našich výrobků byla silně prokázána v různých aplikacích, včetně neomezujících průmyslových strojů, stavebních strojů, lodních a palubních strojů, zařízení na moři, důlních a hutnických strojů.
Kromě toho byla kvalita našich produktů schválena několika světově uznávanými certifikačními orgány. Certifikace, které naše produkty získaly, zahrnují certifikát EC-Type Test, BV MODE, DNV GL Certificate, EC Atest of Conformity, Certificate of Type Approved for Marine Product a Lloyd’s Register Quality Assurance. Doposud jsme kromě Číny, našeho domácího trhu, široce vyváželi naše výrobky do Spojených států, Německa, Nizozemska, Austrálie, Ruska, Turecka, Singapuru, Japonska, Jižní Koreje, Malajsie, Vietnamu, Indie a Íránu. Naše logistické a poprodejní služby pokrývají celý svět rychle a spolehlivě pro hluboké zájmy našich zákazníků.
16 Mar,2026
09 Mar,2026
02 Mar,2026
23 Feb,2026
16 Feb,2026
09 Feb,2026
02 Feb,2026
TOP