16 Mar,2026
Převodové vs. lopatkové vs. pístové: Které průmyslové hydraulické čerpadlo nabízí nejlepší účinnost?


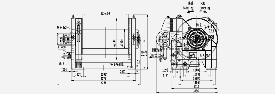
| Jmenovitá plná na 1. vrstvě (kN) | 1000 |
| Jmenovitá rychlost na 1. vrstvě (m/min) | 7 |
| Celkový výtlak (ml/r) | 131500 |
| Systémový tlak (MPa) | 35 |
| Dif. tlak (MPa) | 32 |
| Průměr lana (mm) | 52 |
| Počet vrstev lana | 9 |
| Kapacita bubnu (m) | 1800 |
| Průtok čerpadla (l/min) | 300 |
| Typ motoru | HL-A4FM500-01 |
| Typ převodovky | IGC550W3-B263 (i=263) |
Produkty poskytované slavnými podniky jsou uživateli hluboce důvěřovány.
Roky zkušeností v oboru
Oblast továrny
Šikovní zaměstnanci
Pokročilá výrobní linka
INI Hydraulic Co., Ltd. Již více než dvacet let se specializuje na konstrukci a výrobu hydraulických navijáků, hydraulických motorů a planetových převodovek. Jsme jedním z profesionálních dodavatelů příslušenství pro stavební stroje v Asii. Přizpůsobení pro optimalizaci důmyslných konstrukcí zařízení zákazníků je náš způsob, jak zůstat naživu robustně na trhu. Během 26-ti let jsme vyvinuli širokou škálu produktových řad založených na našich vlastně vyvinutých technologiích. Široké spektrum produktů, z nichž každý důrazně souvisí, zahrnuje hydraulické a elektrické navijáky, planetové převodovky, otočné pohony, převodové pohony, hydraulické motory, čerpadla a hydraulické systémy.
Spolehlivost našich výrobků byla silně prokázána v různých aplikacích, včetně neomezujících průmyslových strojů, stavebních strojů, lodních a palubních strojů, zařízení na moři, důlních a hutnických strojů.
Kromě toho byla kvalita našich produktů schválena několika světově uznávanými certifikačními orgány. Certifikace, které naše produkty získaly, zahrnují certifikát EC-Type Test, BV MODE, DNV GL Certificate, EC Atest of Conformity, Certificate of Type Approved for Marine Product a Lloyd’s Register Quality Assurance. Doposud jsme kromě Číny, našeho domácího trhu, široce vyváželi naše výrobky do Spojených států, Německa, Nizozemska, Austrálie, Ruska, Turecka, Singapuru, Japonska, Jižní Koreje, Malajsie, Vietnamu, Indie a Íránu. Naše logistické a poprodejní služby pokrývají celý svět rychle a spolehlivě pro hluboké zájmy našich zákazníků.
16 Mar,2026
09 Mar,2026
02 Mar,2026
23 Feb,2026
16 Feb,2026
09 Feb,2026
02 Feb,2026
TOP